Has anyone Converted any Sten's to .45ACP? I seem to remeber about 20+ years ago reading an article in Fire Power Magazine of a guy doing a one off conversion of a Sten Mark II to .45ACP using a Grease Gun magazine.
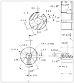
New Barrel in .45ACP
Grease Gun .45ACP Mag
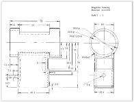
Fabricate a New Mag Housing for Grease Gun Mag
Open Face of Sten Bolt for .45ACP Case
They also had to move Extractor out for the fatter .45ACP Case.
Anybody, have that old article on the conversion?
Would like to know what they did for the Extractor and Mag Housing?
New Barrel in .45ACP
Grease Gun .45ACP Mag
Fabricate a New Mag Housing for Grease Gun Mag
Open Face of Sten Bolt for .45ACP Case
They also had to move Extractor out for the fatter .45ACP Case.
Anybody, have that old article on the conversion?
Would like to know what they did for the Extractor and Mag Housing?
Attachments
Last edited:



